產品特點:
1.無級可調,調節范圍廣
2.觸發延時短,最快3us響應
3.兼容高低電平觸發,適用范圍廣
工作系統示例

24W-60W控制器觸發時序圖
說明:T1為觸發打開光源延時時間,T2為光源被觸發打開時間,T3為觸發關閉光源延時時間,T1≤80us,T3≤80us。例:外部輸入頻率為100Hz,占空比為50%,T2=(1/100*1000000)/2-80=4920us。
120W-200W控制器觸發時序圖
說明:T1為觸發打開光源延時時間,T2為光源被觸發打開時間,T3為觸發關閉光源延時時間,T1≤3us,T3≤3us。例:外部輸入頻率為100Hz,占空比為50%,T2=(1/100*1000000)/2-3=4997us。
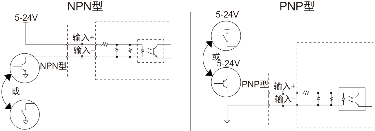
高電平觸發控制器觸發接線方法

控制器型號
| 類型 | 型號 | 輸出電壓 | 總輸出功率 | 單路輸出最大功率 | 通道數 | 外部觸發電壓 |
| 小功率模擬控制器 | LTS-3APC2424-1 | 12-24V | 24W | 24W | 1 | 5-24V |
| LTS-3APC2424-2 | 12-24V | 24W | 24W | 2 | ||
| LTS-3APC2424-4 | 12-24V | 24W | 24W | 4 | ||
| 中功率模擬控制器 | LTS-3APC2460-1 | 12-24V | 60W | 60W | 1 | |
| LTS-3APC2460-2 | 12-24V | 60W | 30W | 2 | ||
| LTS-3APC2460-4 | 12-24V | 60W | 24W | 4 | ||
| LTS-3APC24120-1 | 12-24V | 120W | 120W | 1 | ||
| LTS-3APC24120-2 | 12-24V | 120W | 90W | 2 | ||
| LTS-3APC24120-4 | 12-24V | 120W | 60W | 4 | ||
| LTS-3APC24200-1 | 12-24V | 180W | 180W | 1 | ||
| LTS-3APC24200-2 | 12-24V | 180W | 90W | 2 | ||
| LTS-3APC24200-4 | 12-24V | 180W | 60W | 4 |
